產品知識
公司動態
- 2025年11月20-22日 本地“...
- 上海到底有誰在啊?10月28-3...
- 漢達參展日記之武漢篇:見證...
- 來嘍來嘍,10月24-26日平湖...
- 中秋遇國慶,家國兩團圓丨go...
- 三八出逃計劃:野外撒歡,燃燒...
聯系我們
浙江漢達機械有限公司
電話:0578-3555444 3152944
傳真:0578-3152335
產品知識
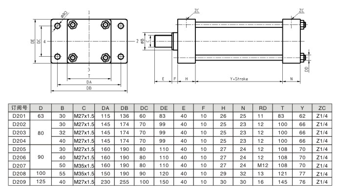
前法蘭安裝-低壓拉桿液壓缸尺寸圖及參數
漢達技術人員結合市場需求,整理了低壓拉桿液壓缸的廠標,給客戶選擇,客戶按廠標選擇,方便快捷,交貨期又快。
以下為安裝方式為前法蘭安裝的具體參數表。
![]() | ![]() |

低壓拉桿液壓缸的其他安裝方式:http://m.54cc.cn/pressure_show-id-170.html


客戶評論
發表評論